En los siguientes circuitos electro neumáticos se muestra a detalle el cómo realizar un circuito electro neumático realizando primeramente los más básicos y posteriormente los más complejos.
CIRCUITOS ELECTRONEUMATICOS.
(CIRCUITOS BASICOS).
I.MANDO DE UN CILINDRO DE SIMPLE EFECTO.
El vástago de un cilindro de simple efecto ha de salir al ser accionado de un pulsador. Al
Soltar el pulsador, el émbolo ha de regresar a la posición final trasera.
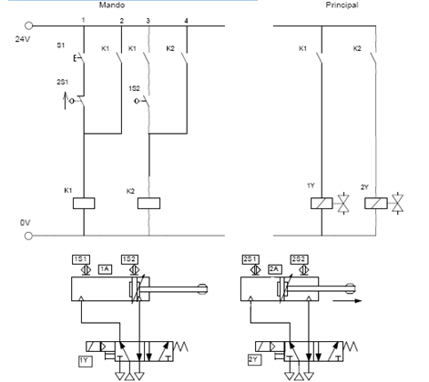
SOLUCIÓN 1. – MANDO DIRECTO
Por el contacto del pulsador S1, el circuito queda cerrado. En la bobina 1Y se genera un campo magnético. La armadura en la bobina invierte la válvula y franquea el paso para el aire comprimido. Este fluye de (1) hacia (2) llegando al cilindro, cuyo émbolo es enviado a la posición de salida del vástago.
Soltando el pulsador S1, el circuito queda interrumpido. El (1Y) campo magnético en la bobina desaparece, la válvula distribuidora 3/2 vuelve a la posición inicial, el émbolo regresa a la posición retraída.
SOLUCIÓN 2.- MANDO INDIRECTO
En la segunda solución, un relé K1 es pilotado por el pulsador S1. A través de un contacto de cierre de K1 queda pilotada la bobina 1Y (pilotaje indirecto). Por lo demás el desarrollo es idéntico a la solución 1.
La solución 2 es preciso aplicarla cuando la potencia de ruptura de los transmisores de señales (S1) no basta para conmutar la bobina 1Y, o cuando el trabajo siguiente sucede con otra tensión (220 V).
Por lo demás es precisa la conexión a través de relés, cuando hacen falta combinaciones y enclavamientos. En mandos con varios accionamientos K1, K2, K3, etc. resulta más fácil la lectura de esquemas y la localización de errores, al indicar en qué circuito se encuentran los contactos de apertura o de cierre de los accionamientos.
En los siguientes ejemplos se exponen las dos soluciones, con mando directo e indirecto.
II.MANDO DE UN CILINDRO DE DOBLE EFECTO.
El vástago de un cilindro de doble efecto ha de salir, como en el caso anterior, accionando un pulsador; soltando el pulsador ha de regresar a la posición inicial.
Solución:
El mando del cilindro de doble efecto tiene lugar a través de una válvula distribuidora 5/2.
Por el accionamiento del pulsador S1, la bobina 1Y se excita. A través de un servo pilotaje por aire comprimido es gobernada la válvula distribuidora. El émbolo marcha a la posición anterior. Al soltar S1 surte efecto el muelle recuperador de la válvula distribuidora. El émbolo regresa a la posición inicial.
III.CONEXIÓN EN PARALELO “O” (CILINDRO DE SIMPLE Ó DE DOBLE EFECTO).
La posición de reposo del cilindro es con el vástago fuera. El envío del émbolo a la posición posterior ha de ser posible desde dos puntos.
Solución:
Por el accionamiento del pulsador S1 ó S2 queda excitada la bobina 1Y. La válvula distribuidora (3/2 ó 5/2) conmuta, el émbolo retrocede hasta el inicio de carrera. Soltando el o los pulsadores accionados queda anulada la señal en 1Y, la válvula conmuta y el émbolo vuelve a la posición inicial.
IV.CONEXIÓN EN SERIE “Y” (CILINDRO DE SIMPLE Ó DE DOBLE EFECTO).
La posición base del cilindro es la posterior. Un vástago debe salir, al ser accionados dos pulsadores simultáneamente.
Solución:
Al accionar los pulsadores S1 y S2, el circuito se cierra. Queda excitada la bobina 1Y. La válvula distribuidora (3/2 ó 4/2) conmuta, el émbolo se mueve hacia la posición final delantera.
Soltando uno o los dos pulsadores queda anulada la señal en 1Y, la válvula se reposiciona y el émbolo vuelve a la posición inicial.
V.MANDO INDEPENDIENTE EN AMBOS LADOS.
El émbolo del cilindro ha de avanzar a la posición anterior previo accionamiento del pulsador S1, allí ha de permanecer hasta que es accionada la carrera de retroceso a través del pulsador S2.
Solución:
Al accionar el pulsador S1, la bobina 1Y1 se excita. La válvula se invierte y permanece en esta posición hasta que a través del pulsador S2 actúa una señal sobre la bobina 1Y2. El vástago sale. Cuando la bobina 1Y2 se excita, la válvula distribuidora 3/2 ó 5/2 vuelve a la posición de dibujo y el émbolo regresa a la posición inicial (inicio de carrera).
VI.RETORNO AUTOMÁTICO DE UN CILINDRO
El émbolo ha de avanzar a la posición anterior previo accionamiento de un pulsador. Una vez alcanzada esta situación debe volver nuevamente a la posición de partida.
Solución:
Por el accionamiento del pulsador S1 queda excitada la bobina 1Y1. La válvula se invierte. El émbolo avanza a la posición final delantera. Una vez ha alcanzado la posición anterior, accionará el final de carrera 1S ubicado allí. Este final de carrera 1S excita a la bobina 1Y2, la válvula vuelve a la posición de dibujo y el émbolo puede regresar a su posición base. La condición es que el pulsador S1 no esté presionado.
VII.MOVIMIENTO OSCILANTE DE UN CILINDRO DE DOBLE EFECTO
Después de conectado un interruptor ha de salir y entrar el vástago continuamente, hasta que vuelva a quedar desconectado el interruptor. El émbolo ha de volver a ocupar su posición inicial.
Solución:
En ambas posiciones finales del vástago se encuentran los finales de carrera 1S1 y 1S2, accionados mecánicamente. Estos emiten respectivamente una señal para conseguir la carrera de retroceso y de avance respectivamente. Pero el pulsador S1 actúa solamente si el interruptor S3 está conectado. El émbolo por consiguiente ejecuta un movimiento de vaivén. Al volver a quedar
desconectado el interruptor S3, ninguna señal puede alcanzar a la bobina 1Y1, es decir el émbolo permanece parado en la posición inicio de carrera.
Circuito de autor retención.
Se trata de un circuito eléctrico que cierra para memorizar señales. Se utilizan en mandos electro neumáticos, cuando determinadas señales eléctricas han de quedar memorizadas. El memorizado de señales, en determinados casos, puede realizarse mediante electroválvulas neumáticas con reposición por muelle (monoestables). En los mandos más amplios (cadenas rítmicas) puede aplicarse la función de memoria tanto en la parte neumática como en la eléctrica, según constitución, y también en ambos ámbitos.
En la técnica de mando se habla de dos circuitos de autorretención, con conexión (CON dominante) o desconexión (DES dominante).
FUNCIONAMIENTO DEL CIRCUITO DE AUTORRETENCIÓN:
En el circuito 1, a través del pulsador CON queda excitado el relé K1 que activa la válvula
1Y. Para que al soltar el pulsador CON permanezca excitado el relé, ha de seguir conectado. Para ello, en paralelo al circuito 1, se dispone un contacto de cierre de K1 (circuito 2, figura 7-8).
Por esta conexión en paralelo se logra que al soltar el pulsador CON no quede desactivado el relé K1. Para que el circuito de auto retención pueda quedar nuevamente borrado, es preciso montar un pulsador de desconexión DES. Este pulsador DES se dispone en la solución “CON dominante” en el circuito 2. En la solución desconexión dominante el pulsador DES se ubica dentro del circuito 1 tal como se observa en la figura 7-8. Por lo tanto para que domine la conexión o la desconexión es determinante la posición de montaje del pulsador DES. Si el pulsador DES está conectado en serie con el contacto de cierre K1, siempre es dominante la señal CON. Si el pulsador DES está conectado en serie con el pulsador CON , el comportamiento del circuito es DES dominante.
RETROCESO DE UN CILINDRO CON PULSADORES Y MEMORIA ELÉCTRICA.
El vástago de un cilindro de simple o de doble efecto ha de salir y permanecer en la posición delantera, hasta que una segunda señal lleve al émbolo a la posición inicial.
Solución:
A través del pulsador S1 se cierra el circuito 1 y es excitado el relé K1. Paralelo a este circuito 1 está montado, en el circuito 2, un contacto de cierre del relé K1, que mantiene la alimentación de corriente para el relé K1. El contacto de cierre K1, en el circuito 3 hace que se excite la bobina 1Y. El émbolo avanza a la posición final delantera. Mediante el pulsador S2 el circuito 1 quedando interrumpido hacia el relé K1. Todas las funciones del relé K1 retornan a la posición inicial. Por ello también se interrumpe el circuito hacia la bobina 1Y. El muelle de la válvula distribuidora la hace retornar y el émbolo regresará también a la posición inicial.
Mandos con comportamiento temporizado.
Los mandos, que tienen prescritos un desarrollo cronológico muy determinado, deben estar equipados con relés temporizadores eléctricos. Existen mandos únicamente influidos por el tiempo o bien por combinaciones de la consulta del espacio y el tiempo. Los relés de tiempo, que se utilizan hoy predominantemente como relés temporizadores electrónicos, tienen como ya se ha indicado, dos comportamientos temporales fundamentales:
Relé temporizador con retardo de excitación
Relé temporizador con retardo de des excitación.
Mando de un cilindro de doble efecto con temporización (retardo de excitación).
El émbolo tiene que avanzar previo accionamiento del pulsador S1. En el final de carrera debe parar 10 segundos y luego regresar automáticamente. En la posición anterior se halla el final de carrera 1S.
Solución:
Por el accionamiento del pulsador manual S1, el relé K1 se excita. El contacto de cierre del relé K1 está unido con la bobina 1Y1. Por la conexión del contacto de cierre, la electroválvula queda invertida. El vástago del cilindro avanza a la posición final de carrera. En esta posición queda accionado el final de carrera 1S. Este final de carrera conecta el relé temporizador K2 (con retardo de excitación). Transcurridos 10 segundos el contacto de cierre del relé temporizador excita la bobina 1Y2 de la válvula distribuidora. La válvula retorna a su posición inicial, por lo que el émbolo regresa a la posición de inicio de carrera.
Mando de un cilindro de doble efecto con temporización (retardo de des excitación).
El émbolo tiene que avanzar previo accionamiento del pulsador S1. En el final de carrera debe parar 10 segundos y luego regresar automáticamente. En la posición anterior se encuentra el final de carrera 1S.
Solución:
Por medio del pulsador de marcha S1, el relé K1 queda excitado. El contacto de cierre de la línea 3 del relé K1 conecta la bobina 1Y1. Debido al impulso, la válvula distribuidora 5/2 invierte y el émbolo del cilindro avanza a la posición anterior. La bobina 1Y2 está sin corriente, porque el contacto de apertura (línea 4) del relé temporizador K2 está desconectado. (El conmutador K2 del circuito 4 está dibujado en la posición en que su relé correspondiente no está excitado). La señal de entrada desaparece cuando se acciona el final de carrera 1S. Transcurrido el tiempo ajustado de 10 segundos, el contacto de apertura del relé temporizador K2 conecta la bobina 1Y2, por lo que la válvula distribuidora 5/2 manda el émbolo del cilindro de doble efecto a la posición de inicio.
Diseño de circuitos
El diseño de los circuitos puede realizarse de dos maneras:
1. El método puramente intuitivo.
2. El método sistemático.
Para ambos métodos es necesario que previamente se establezca el enunciado del problema, es decir se planteen los requerimientos del proceso a resolver. En el primer método se acomete el problema únicamente apoyándose en la intuición o en la experiencia. Cuando se trata de automatismos complejos se requiere en la realización de los mandos cierta experiencia y también método.
El segundo método, apoyándose en directrices determinadas, supone una realización sistemática de los mandos, siguiendo determinadas directrices.
Ambos métodos deberán conducir a circuitos de funcionamiento seguro.
No obstante, en el proyecto de mandos electroneumáticos se recomienda el segundo método, que al observar determinadas directrices, garantiza una mayor seguridad.
A continuación se desarrolla la elaboración de circuitos de forma sistemática, mediante ejemplos.
Ejemplo 1: Manipulación de paquetes
Los paquetes son alimentados desde el cargador por gravedad mediante el cilindro 1A, que los lleva hasta la posición dónde son empujados por el cilindro 2A para el llenado de la caja donde van embalados. La secuencia deseada es: 1A+, 2A+, 1A-, 2A-. La solución del mando se resuelve en primer término con memorización neumática y después con eléctrica, realizando el diseño paso a paso. La memorización neumática requiere válvulas biestables o de doble bobina, mientras que la eléctrica utiliza válvulas monoestables o de bobina única.
Como se observa a continuación se diseñan de manera separada los circuitos de mando, es decir, los que realizan las señales, y los circuitos principales, o sea, los que ejecutan los movimientos.
SOLUCIÓN 1 (MEMORIA NEUMÁTICA)
Paso 1:
Trazado de los circuitos de mando y principal (1 y 5). En el circuito de mando, el relé K1 es excitado a través del pulsador S1 y a través de la “consulta” por medio del final de carrera 2S1. Se denomina “consulta” a conocer de alguna manera si se ha producido un hecho antes de verificarse el siguiente. En este caso se trata de saber si el vástago de 2A ha retornado a su posición inicial antes de que salga el de 1A. En el circuito principal, el contacto de cierre de K1 cierra el circuito. La bobina 1Y1 se excita, invierte la válvula 1V y el vástago del cilindro 1A sale.
Paso 2:
Trazado de los segundos circuitos de mando y principal (2 y 6). En la posición anterior del cilindro 1A es accionado el final de carrera 1S2. A través de éste se excita el relé K2. Un contacto de cierre de K2 excita la bobina 2Y1, la válvula 2V se invierte, el vástago del cilindro 2A sale.
Paso 3:
Trazado de los terceros circuitos de mando y principal (3 y 7). El cilindro 2A ha empujado el paquete hacia la rampa. En su posición anterior el cilindro 2A acciona y cierra el final de carrera 2S2, se excita el relé K3 y el contacto de cierre de K3 conecta la bobina 1Y2. La válvula 1V vuelve a su posición de dibujo. El émbolo del cilindro 1A puede regresar a su posición posterior.
Paso 4:
Trazado de los cuartos circuitos de mando y principal (4 y 8). El cilindro 1A acciona el final de carrera 1S1 situado en la posición posterior. Se excita el relé K4. El contacto de cierre de K4 conecta a la bobina 2Y2. La válvula 2V regresa a su posición de dibujo. El cilindro 2A regresa y vuelve a accionar el final de carrera 2S1. Al llegar un nuevo paquete todo se encuentra como al
Principio dispuesto a comenzar un nuevo ciclo cuando se pulse S1.
Situación de inicio y final de ciclo.
SOLUCIÓN 2 (MEMORIA ELÉCTRICA)
El sistema utiliza, como ya se dijo anteriormente válvulas distribuidoras 5/2 monoestables con una bobina. La memorización de las señales se efectúa mediante circuitos de autor retención. En la figura se indica la posición de los finales de carrera eléctricos.
Paso 1: (salida del vástago de 1A).
Se trazan los circuitos de mando y principal para el primer relé K1 y para la bobina 1Y. A través del final de carrera 2S1 (sensor de posición tipo reed), que está activado, ya que el cilindro 2A está en el inicio de carrera, así como del pulsador de marcha S1, queda cerrado el circuito 1 con el relé K1. En paralelo a este circuito es tendido el de autor retención, precisamente con un contacto de cierre K1. De este modo se autor retiene el relé K1. Un contacto de cierre de k1, unido en el circuito principal con la bobina 1Y, efectúa la inversión de la válvula distribuidora 1Y2. El vástago del cilindro 1A sale.
En el esquema eléctrico se ha mantenido siempre la simbología en el momento inicial sin simular los cambios que van sucediendo en dicho circuito. Es decir se representa tal y como se entregaría el plano de montaje, sin carga eléctrica.
Paso 2:
Se traza el 2º circuito de mando con el relé K2 y el 2º principal con la bobina 2Y. El cilindro 1A, en la posición final de carrera acciona 1S2 que efectúa la excitación de K2 en el circuito 3. En paralelo se encuentra la autor retención para el relé K2 a través de un contacto de cierre de K2. En el circuito principal, por el cierre del contacto de cierre K2 queda excitada la bobina 2Y, la válvula distribuidora 2Y conmuta, el vástago del cilindro 2A sale.
En la línea 3 se coloca en serie un contacto de cierre K1 para que el proceso sea secuencial y no se active K2 a menos que se haya activado K1 en el paso inmediatamente anterior. De esta forma se consigue que, cualquier eventualidad que hiciera que el vástago del cilindro 1ª estuviera fuera en el inicio de ciclo, no alteraría la secuencia correcta de funcionamiento.
Paso 3:
En este paso tiene que retornar el vástago del cilindro 1A, para lo cual se descalcita el relé K1.
Cuando el cilindro 2A llega al final de carrera acciona 2S2 (final de carrera tipo red), con la señal de dicho sensor se cierra el circuito 5 de mando accionando el relé K3. Por medio de un contacto normalmente cerrado, gobernado por dicho relé (K3), colocado en serie en la línea 1 de mando se abre el circuito 1, desconectando la memoria eléctrica. Como consecuencia se abre el contacto K1 del circuito principal y se desactiva 1Y. La electroválvula entonces vuelve a su posición estable por la acción del muelle y el vástago de 1A comienza a entrar. En la línea 5 se dispone un contacto de cierre K2 con idéntica misión que el K1 del circuito 3. Por otra parte en este paso se habrá desconectado este último, de esta manera se consigue que el relé K2 del circuito 3 sólo actúe en el momento que le corresponde del ciclo.
Paso 4:
En este paso tiene que volver el cilindro 2A para lo cual se desconecta el relé K2. Cuando el cilindro 1A llega al inicio de carrera cierra el contacto 1S1. Además el relé K3 está todavía activado porque 2S2 está cerrado. Se cumplen así las dos condiciones necesarias para que se active el relé K4 (figura 7-22).
Como consecuencia, en el circuito nº 3 el contacto normalmente cerrado de K4 se abre y se libera la autor retención del relé K2. En el circuito 8 se abre el contacto K2 y se des excita la bobina 2Y. Al ocurrir esto la válvula vuelve a su posición estable por medio del muelle y el vástago del cilindro 2A vuelve a su posición de inicio.
Vuelve todo a la posición inicial. El circuito eléctrico de la Figura 7-22 refleja el circuito tal y como se expresaría para conseguir la secuencia propuesta.
En el circuito 6 figura el contacto de cierre K3 con misión idéntica al K1 del circuito 3 y al K2 del 5. Además en este caso el K2 del 5 se abrirá, con el fín que el relé K3 solo actúe en su momento.
Interferencias de señales
Se denomina interferencia de señales, al caso en que cuando se desea efectuar un movimiento se sigue actuando sobre aquel elemento que produjo el efecto contrario, es decir se está produciendo una señal indeseada que interfiere. Esto mismo ha sido estudiado en el capítulo de neumática 5.3. En el caso de producirse una interferencia el circuito llega a ese punto y se para, pues no se produce el movimiento deseado.
Para que no se produzca interferencia es necesario que entre dos movimientos del mismo cilindro (1A+, 1A- ) exista el movimiento contrario al que produjo el primero de los dos movimientos (1A+). Por ejemplo en la secuencia (1A+, 2A+ , 1A- , 2A-), explicada en 7.4, entre 1A+ y 1A- existe
el movimiento 2A+ que es el movimiento contrario al que produjo 1A+ (2A-). Además entre 2A+ y 2A- existe el movimiento 1A- que es el contrario al que produjo 2A+ (1A+). Luego no hay interferencias en este proceso.
Por otra parte hay que tener en cuenta que un proceso no acaba con su secuencia, sino que esta vuelve a empezar, por ello la secuencia anterior debe ser estudiada completa, es decir: (1A+, 2A+ , 1A- , 2A-, 1A+ , 2A+ , 1A- , 2A-, …). En esta secuencia tampoco hay interferencia entre 1A- y 1A+ ni entre 2A- y 2A+ por análogas razones a las mencionadas.
Si, a la inversa, no existe entre dos movimientos contrarios el inverso al que produjo el primero de los dos movimientos, se forma una interferencia que será preciso eliminarla de alguna manera.
Por ejemplo en la secuencia (1A+, 2A+ , 2A-, 1A- ) entre 2A+ y 2A- no hay ningún movimiento por lo que no se encuentra el movimiento necesario para que no exista interferencia (1A-), luego la habrá. Si tomamos la secuencia completa (1A+, 2A+ , 2A-, 1A- , 1A+ , 2A+ , 2A-, 1A- ,…) entre 1A- y 1A+ se producirá otra interferencia por análogas razones.
Otro caso: (1A-, 2A+ , 2A-, 1A+ , 3A+, 3A-, 1A- , 2A+ , 2A-, 1A+ , 3A+, 3A-, …) existirán interferencias entre 2A+ y 2A-, entre 3A+ y 3A- y entre 1A- y 1A+ por análogas razones a las ya mencionadas. La eliminación de las interferencias va a ser explicada mediante los siguientes ejemplos:
Ejemplo: Fresadora.
Una fresadora ha de realizar ranuras en un marco de madera. Para resolver tal problema un cilindro (1A) sujeta el marco para luego mediante una unidad de avance (2A) realizar la ranura. La secuencia deseada es: 1A+, 2A+, 2A-, 1A-, … El croquis del proceso y el diagrama espacio fase se muestran en la figura 7-23. En la figura 7-24 se traza el esquema neumático del proceso.
S1 + 1S1 _ 1A+ 2S2 _ 2A-
1S2 _ 2A+ 2S1 _ 1A-
Esquema neumático.
En la fase 1 del proceso se desea que comience el movimiento 1A+ estando pisado el fin de carrera 2S1, que es precisamente el que produjo el movimiento 1A-. Es decir se pretende que se realice el movimiento 1A+ cuando se está actuando sobre el sensor que produce el movimiento 1A-.
Por otra parte en la fase 3 se desea conseguir el movimiento 2A- cuando está pisado el sensor 1S2 que produjo el 2A+, es decir aquí se genera una segunda interferencia. La solución al problema viene por anular las señales producidas por los sensores 2S1 y 1S2, aunque se encuentren accionados por sus respectivos vástagos.
En las figuras se presentan los esquemas eléctricos que eliminan las interferencias. La explicación se presenta paso a paso para mayor facilidad en su comprensión.
Con el accionamiento de marcha S1 y del final de carrera 1S1 del cilindro 1A se cierra el circuito 1 que excita el relé K1. El contacto de cierre K1(2) produce la autor retención del relé K1 y el contacto de cierre K1(3) alimenta la bobina 1Y1 que genera el movimiento 1A+. En el circuito principal se dispone una segunda línea con un contacto de apertura K1 (4), de manera que las dos líneas se van a encontrar conectadas y desconectadas alternativamente.
Cuando el vástago de 1A sale, 1S1 abre sin consecuencia inmediata dado que existe la autor retención por medio del circuito 2.
Cuando el vástago de 1A llega a su fin de carrera anterior pisa 1S2 que tiene como consecuencia la excitación de 2Y1 y el movimiento 2A+.
En el momento en que concluye el movimiento 2A+ se pisa el contacto 2S2, debiendo tener una consecuencia doble, la excitación de 2Y2 y al mismo tiempo la des excitación de 2Y1, con el fin de eliminar la interferencia producida.
Para ello, como se observa en la, se ha colocado el contacto de apertura 2S2 en la línea 1, de esta manera cuando se actúa sobre dicho contacto se abre el circuito 1, se desactiva el relé K1 y se elimina su autor retención. Al mismo tiempo se abre el contacto K1 (3) y se des excitan 1Y1 y 2Y1. Por otra parte, el relé K1 arrastra el contacto de apertura K1 (4) que en este momento se cierra, activa la línea auxiliar B a la que está conectada la bobina 2Y2, que se excita y produce el movimiento 2A-.
Cuando comienza el 2A-, se deja de actuar sobre 2S2 que cierra, sin consecuencia inmediata. El vástago retrocede hasta su fin de carrera posterior pisando 2S1, que debe excitar la bobina 1Y2 para que se produzca el movimiento 1ª.
Para ello se ubica el contacto 2S1. en serie con la bobina 1Y2, y a su vez en paralelo con la 2Y2. De esta manera se consigue el efecto deseado.
Cuando el vástago de 1A penetra, deja de actuar sobre 1S2, sin consecuencia inmediata.
En el instante en que 1A- concluye se actúa sobre 1S1, cerrándose, acabándose el ciclo y quedando todos los elementos en la posición de partida.
Por último hay que observar que cuando el operario vuelva a pulsar S1, comienza el ciclo cerrándose el circuito 1, excitándose el relé K1, consiguiendo su autor retención, y lo que es más importante, cerrando el contacto K1(3) y abriéndose el K1(4).
De esta manera se alimenta la línea auxiliar A y se desconecta la B, eliminándose las excitaciones de 2Y2 y 1Y2, y por tanto la interferencia producida.
Como resumen hay que observar que las bobinas situadas a la izquierda de las válvulas, 1Y1 y 2Y1, están conectadas a la línea auxiliar A y las de la derecha a la B. Estas líneas están activadas alternativamente, eliminándose así las interferencias.
Muchas definiciones como álgebras booleanas, expresión booleana, entre otras honran a George Boole matemático del siglo XIX cuya propuesta principal está basada en formalizar y mecanizar el proceso de razonamiento lógico. Desarrolla una teoría lógica que utiliza símbolos en lugar de palabras. Tiempo después C.E Shannon en 1938 observo que el álgebra booleana se podía aplicar en el análisis de circuitos eléctricos que posteriormente es utilizado para el diseño y análisis de computadoras electrónicas.
1 = voltaje alto
0 = voltaje bajo
Los datos de salida de un circuito combinatorio están determinados por la combinación de datos de entrada. Un circuito combinatorio no tiene memoria por lo tanto los datos de entrada anteriores y estado existente no afectan los datos de salida del circuito.
Los circuitos combinatorios se construyen por medio de compuertas lógicas que son capaces de hacer cambios en el nivel de voltaje del cuerpo.
Las tablas de verdad de las expresiones booleanas serán iguales a las tablas con las que trabajamos en el capítulo anterior, con esto quiero decir que se deberá evaluar primero las compuertas más internas hasta llegar a la compuerta principal.
Ejemplo:
Dado el circuito:
La expresión booleana que la representa será:
La expresión booleana que la representa será:
(x1 ^ x2) ^ (x1 v x3).
LA
EJEMPLO DE CIRCUITO DE ALGEBRA BOOLEANA EN EL FLUIDSIM.
SE DESEA UN CIRCUITO PARA IMPLEMENTAR LA ALARMA DE SEGURIDAD DE UN CARRO DE 2 PUERTAS SE DISPONE DE UN CONJUNTO DE INTERRUPTORES LOS CUALES SE HAN DISPUESTO DE LA SIG, MANERA.
a) UN INTERRUPTOR SE HA DE PRENDERCE SI PONEMOS EL CARRO EN VELOCIDAD.
b) UN INTERRUPTOR SE HA PUESTO BAJO CADA UNO DE LOS ASIENTOS Y PRENDERA SI ALGIGUIEN SE SIENTA
c) UN INTERUPTOR SE HA PUESTO EN CADA ACIENTO Y PRENDERA SI EL CINTURON ES ABROCHADO.
LA ALARMA FUNCIONARA CUANDO SE PRENDE LA LLEVA Y PONGAMOS UN CAMBIO DE VELOCIDAD Y SE COMPRUEBA QUE CUALQUIER DE LOS ACIENTOS SE OCUPA Y EL CORRESPONDIENTE CINTURRON NO ESTE AJUSTADO.
M= ALARMA
A= ASIENTO DERECHO
B= ASIENTO IZQUIERDO
C= SENDOR DE ASIENTO
D= SENSOR DE CAJA DE VELOCIDAD
G= SENSOR DE CINTO DERECHO
H= SENSOR DE CINTO IZQUIERDO.
SOLUCION.
DIAGRAMA ELECTRICO.

DIAGRAMA DE CIRCUITO EN EL INTERIOR DE ALGEBRA BOOLEANA.
existen una gran variedad de formas de conectar un mismo circuito, todas dependiendo de la logica que logre desarollar la persona, esta es solo una de tantas combinaciones para este circuito.




























